Leírás
Szöghajtómű 25Le – megbízható erőátvitel kompakt kivitelben
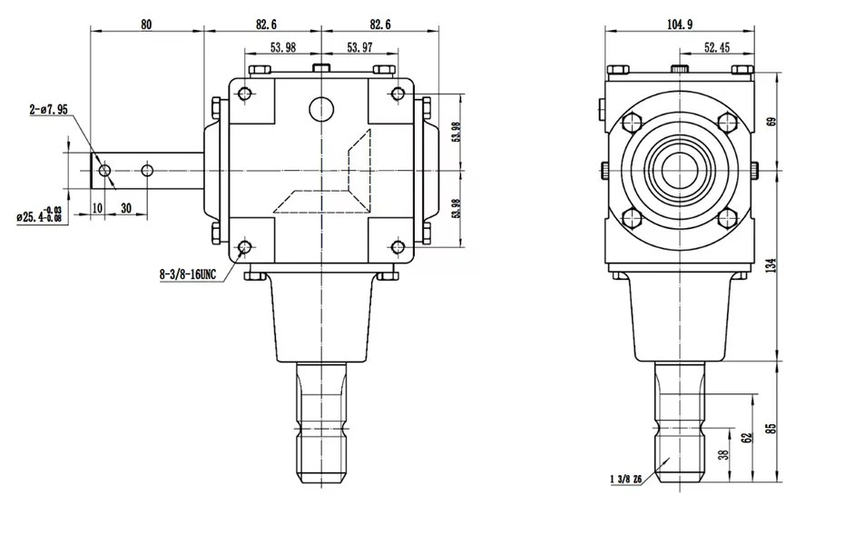
A Szöghajtómű 25Le kiváló választás mindazoknak, akik erős és tartós megoldást keresnek mezőgazdasági vagy ipari gépeikhez. A masszív vasöntvény ház garantálja a hosszú élettartamot és a megbízhatóságot még intenzív használat mellett is.
Ez a hajtómű 1:1 áttétellel rendelkezik, így a behajtó és a kihajtó tengely fordulatszáma azonos, valamint a forgásirányuk megegyezik. A szabványos 1-3/8” 6 bordás behajtó tengely és a 25 mm átmérőjű kihajtó tengely (2 db 8 mm-es keresztfurattal) biztosítja a könnyű csatlakoztathatóságot és a biztonságos erőátvitelt.
A Szöghajtómű 25Le maximálisan átvihető teljesítménye 23 LE 540 fordulat/perc mellett, valamint 35 LE 1000 fordulat/percnél, így alkalmas kisebb és közepes teljesítményű meghajtásokhoz egyaránt. Mindössze 10,8 kg-os tömegével egyszerre könnyen szerelhető és erős, ideális megoldás hosszú távú használatra.
Ha megbízható és erős szöghajtóművet keres, amely biztosítja a folyamatos és hatékony munkavégzést, akkor a hajtómű 25Le a legjobb választás.









Értékelések
There are no reviews yet